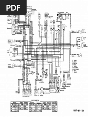
Yamaha Fz6 Wiring Diagram, Yamaha Fz6R Flasher Relay Wiring Diagram / Yamaha Fz6r Wiring Diagram

Yamaha Fz6 Wiring Diagram Yamaha Fuse Box R6 Diagram Location 2003 Star Wiring Bb Custom

Yamaha r6 fuse box location

Yamaha fz6r flasher relay wiring diagram / yamaha fz6r wiring diagram. Yamaha fuse box r6 diagram location 2003 star wiring bb custom. Yamaha fz8 wiring diagram. Yamaha r15 wiring diagram

Yamaha R15 Wiring Diagram - Wiring Diagram Schemas

Yamaha R15 Wiring Diagram - Wiring Diagram Schemas

Yamaha Fz8 Wiring Diagram - Wiring Diagram Schemas

Yamaha Fz8 Wiring Diagram - Wiring Diagram Schemas

Yamaha R6 Fuse Box Location | schematic and wiring diagram

Yamaha R6 Fuse Box Location | schematic and wiring diagram

Yamaha R6 Fuse Box Location | schematic and wiring diagram

Yamaha R6 Fuse Box Location | schematic and wiring diagram

Yamaha Fz8 Fuse Box - Wiring Diagram Schemas

Yamaha Fz8 Fuse Box - Wiring Diagram Schemas

Komentar